Студент химико-технологического факультета Самарского политеха Денис Васин получил грант «Студенческий стартап» от Фонда содействия инновациям в размере миллиона рублей на разработку катализатора пиролиза природного газа для получения водорода и углеродных наноматериалов. Исследование позволит существенно упростить и удешевить синтез веществ, стратегически важных для нашей промышленности.
- Мы намерены создать свои катализаторы для получения водорода и углеродных наноматериалов в ходе термокаталитического разложения природного газа, - объясняет Денис Васин. – В последние годы эта технология считается очень перспективной, потому что имеет ряд преимуществ перед другими методиками синтеза таких продуктов.
Васин – сотрудник молодёжной лаборатории Политеха «Нефтегазовые технологии получения водорода и графита». Разработками по этой тематике лаборатория под руководством доктора технических наук Игоря Кудинова занимается уже пятый год. Учёные исходят из того, что самое дешёвое углеводородное сырьё в России - это природный газ, пиролиз которого даёт два ценных продукта: водород и углерод. В частности, в университете научились синтезировать несколько разновидностей пиролитического графита. В реакторах без катализаторов генерируется графит с чистотой 90 процентов. Но если запустить каталитический процесс, то помимо него можно получить особые формы углерода, например, углеродные нанотрубки.
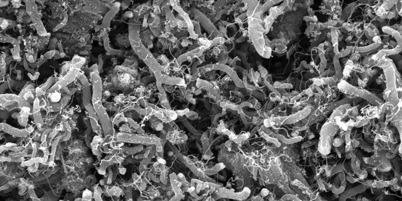
Углеродные нанотрубки – это аллотропная модификация углерода, которая представляет собой протяжённые структуры, состоящие из одной или нескольких свёрнутых в трубку гексагональных плоскостей. Они чем-то напоминают цилиндрические соты, диаметром от 0,5 до нескольких десятков нанометров.
- Считается, что углеродные нанотрубки были впервые синтезированы в 1991 году, с тех пор интерес к ним только растёт, - объясняет доктор технических наук, профессор Игорь Кудинов. - Связь атомов в трубках имеет рекордную прочность. Они чрезвычайно устойчивы к химическим воздействиям. Их тепло- и электропроводность в несколько раз выше, а вес в 7 раз ниже, чем у меди. При этом они могут проявлять как металлические, так и полупроводниковые свойства.
Всё это делает трубки незаменимыми для использования в микроэлектронике, водородной энергетике, химических технологиях. Из них делают покрытия, по эластичности, устойчивости к разрушениям при критических нагрузках и высоких температурах превосходящие силиконовую резину, плёнки, нанобумагу для фильтров, защиту от электромагнитного излучения, детали нагревателей, сенсоры, электроды электрохимических устройств, носители катализаторов. Небольшое количество углеродных нанотрубок, введённых в состав полимеров, заметно улучшает механические характеристики, химическую и термическую устойчивость.
Фото пресс-службы Самарского политеха








-0.04


